
一、J-SAM-GST9122海湾消防手动报警器特点
J-SAM-GST9122海湾消防手动报警器安装在公共场所,本报警按钮含电话插孔。当人工确认发生火灾后,按下报警按钮上的按片,即可向控制器发出报警信号,控制器接收到报警信号后,将显示出报警按钮的编码信息并发出报警声响,将消防电话分机插入电话插孔即可与电话主机通讯。本手动火灾报警按钮主要具有以下特点:
(1)采用拔插式结构设计,安装简单方便,按钮上的按片在按下后可用专用工具复位。
(2)J-SAM-GST9122海湾消防手动报警器按下报警按钮按片,可由报警按钮提供独立输出触点,可直接控制其它外部设备。
(3)采用微处理器实现信号处理,用数字信号与控制器进行通信,工作稳定可靠,对电磁干扰有良好的抑制能力。
(4)J-SAM-GST9122海湾消防手动报警器地址码为电子编码,可现场改写。
二、J-SAM-GST9122海湾消防手动报警器主要技术指标
(1)工作电压:总线24V
(2)监视电流≤0.6mA
(3)J-SAM-GST9122海湾消防手动报警器报警电流≤1.8mA
(4)线制:与控制器采用无极性信号二总线连接,与GST-LD-8304采用二线制连接
(5)输出容量:额定DC30V/100mA无源输出触点信号,接触电阻≤100m
(6)J-SAM-GST9122海湾消防手动报警器使用环境:
温度:-10℃~+55℃
相对湿度≤95%,不结露
(7)外壳防护等级:IP43
(8)J-SAM-GST9122海湾消防手动报警器外形尺寸:
95.4mm×98.4mm×42.5mm(带底壳)
三、J-SAM-GST9122海湾消防手动报警器结构特征、安装与布线
J-SAM-GST9122海湾消防手动报警器外形示意图如图2-9

手动火灾报警按钮的外接端子示意图如图2- 10

J-SAM-GST9122海湾消防手动报警器其中:
Z1、Z2:报警控制器来的信号总线,无极性。
K1、K2:额定DC30V/100mA无源输出端子,当报警按钮按下时,输出触点闭合信号,可直接控制外部设备。
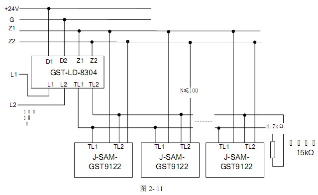
TL1、TL2:与GST-LD-8304连接的端子。
J-SAM-GST9122海湾消防手动报警器布线要求:信号Z1、Z2采用阻燃RVS双绞线,截面积≥1.0mm2;消防电话线TL1、TL2采用阻燃RVVP屏蔽线,截面积≥1.0mm2。
四、J-SAM-GST9122海湾消防手动报警器应用方法
作为手动火灾报警按钮使用时,将报警按钮的Z1、Z2端子直接接入火灾报警控制器总线上即可。作为手动火灾报警按钮及消防电话插孔使用时,将报警按钮的Z1、Z2端子直接接入火灾报警控制器总线上,同时将报警按钮的TL1、TL2端子与GST-LD-8304消防电话模块连接,具体见图2-11所示(*末端报警按钮的TL1、TL2接线端子接4.7kΩ终端电阻)。


