
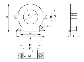
·外形图片

图1 ·
型号、规格如下表1所示: 表1
|
序号
|
型号
|
过线
孔径
|
安装孔孔距
|
相线*大额定电流
|
A
(高度)
|
B
(宽度)
|
C
(厚度)
|
|
1
|
CTZ-FL-25
|
Æ25mm
|
36~45mm
|
40A
|
55mm
|
50mm
|
23mm
|
|
2
|
CTZ-FL-45
|
Æ45mm
|
54~64mm
|
160A
|
85mm
|
77mm
|
24mm
|
|
3
|
CTZ-FL-65
|
Æ65mm
|
69~84mm
|
250A
|
104mm
|
97mm
|
24mm
|
|
4
|
CTZ-FL-80
|
Æ80mm
|
80~89mm
|
400A
|
122mm
|
112mm
|
28mm
|
|
5
|
CTZ-FL-100
|
Æ100mm
|
103~113mm
|
630A
|
136mm
|
131mm
|
24mm
|
|
6
|
CTZ-FL-150
|
Æ150mm
|
177~184mm
|
1000A
|
209mm
|
200mm
|
28mm
|
|
7
|
CTZ-FL-200
|
Æ205mm
|
230~240mm
|
2500A
|
275mm
|
265mm
|
35mm
|
|
8
|
CTZ-FL-300
|
Æ300mm
|
315~320mm
|
4000A
|
370mm
|
360mm
|
35mm
|

|
序号
|
型号
|
过线
孔径
|
安装孔
中心孔距
|
相线*大额定电流
|
D
(高度)
|
C
(宽度)
|
E
(厚度)
|
|
1
|
CTZF-FL-1020
|
100×20mm
|
144mm
|
100A
|
50mm
|
157mm
|
16mm
|
|
2
|
CTZF-FL-1025
|
100×25mm
|
154mm
|
160A
|
60mm
|
162mm
|
24mm
|
|
3
|
CTZF-FL-1432
|
140×32mm
|
189mm
|
225A
|
72mm
|
202mm
|
24mm
|
|
4
|
CTZF-FL-1832
|
180×32mm
|
229mm
|
250A
|
72mm
|
242mm
|
24mm
|
|
5
|
CTZF-FL-2245
|
220×45mm
|
269mm
|
400A
|
86mm
|
282mm
|
24mm
|
|
6
|
CTZF-FL-2645
|
260×45mm
|
309mm
|
630A
|
86mm
|
322mm
|
24mm
|
|
7
|
CTZF-FL-3045
|
300×45mm
|
349mm
|
1250A
|
86mm
|
362mm
|
24mm
|
|
8
|
CTZF-FL-4245
|
420×45mm
|
469mm
|
4000A
|
86mm
|
482mm
|
24mm
|


|
序号
|
型号
|
过线
孔径
|
安装孔孔距
|
相线*大额定电流
|
A
(宽度)
|
B
(高度)
|
C
(厚度)
|
|
1
|
CTZK-671A-25
|
Æ26mm
|
57~68mm
|
40A
|
80mm
|
75mm
|
22mm
|
|
2
|
CTZK-671B-45
|
Æ46mm
|
80~95mm
|
160A
|
108mm
|
107mm
|
26mm
|
|
3
|
CTZK-671C-65
|
Æ65mm
|
99~115mm
|
250A
|
128mm
|
127mm
|
26mm
|
|
4
|
CTZK-671D-80
|
Æ81mm
|
109~129mm
|
400A
|
144mm
|
144mm
|
28mm
|
|
5
|
CTZK-671E-100
|
Æ103mm
|
127~155mm
|
630A
|
174mm
|
174mm
|
30mm
|
三相线路的穿法方式
单相线路的穿法方式

